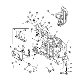
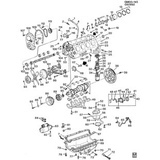
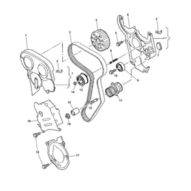
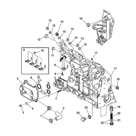
Muut moottorin osat

KÄYTTÄJÄTUNNUS
SALASANA

Kirjautuminen

Kirjaudu sisään antamalla
tunnuksesi ja salasanasi.

› Uusi asiakas? Rekisteröidy tästä.
› Unohtuiko salasana?

Sulje sivuvalikko

 

Tilaa uutiskirje ›