Etuvetoakselin akselitiiviste vasen GM 2002-2009

Etuvetoakselin akselitiiviste vasen GM 2002-2009

65,00 €
Saatavuus
Varastossa
Tuotekoodi
12471618

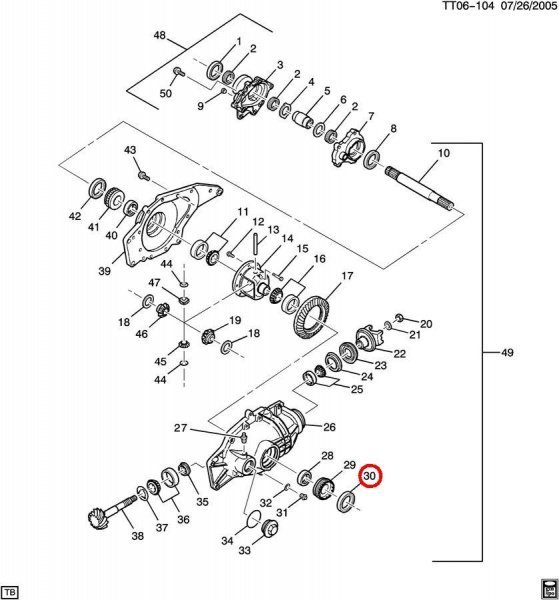
Alkuperäinen varaosa,osanumero 30 kuvassa.

Korvaa:710687, 19257296, 8124716180, 8192572960.

BUICK RAINIER 2004-2007
CHEVROLET ASTRO 1995-2005
CHEVROLET BLAZER 1995-2005
CHEVROLET EXPRESS 1500 2003-2014
CHEVROLET EXPRESS 2500 2003-2005
CHEVROLET S10 PICKUP 1995-2004
CHEVROLET TRAILBLAZER 2002-2009
GMC ENVOY 2002-2009
GMC JIMMY 1995-2005
GMC SAFARI 1995-2005
GMC SAVANA 1500 2003-2014
GMC SAVANA 2500 2003-2005
GMC SONOMA 1995-2004
ISUZU ASCENDER 2003-2008
ISUZU HOMBRE 1998-2000
OLDSMOBILE BRAVADA 1996-2004
SAAB 9-7X 2005-2009
 

 

Näytä lisää tuotteita
Tiivisteet tuoteryhmästä
KÄYTTÄJÄTUNNUS
SALASANA

Kirjautuminen

Kirjaudu sisään antamalla
tunnuksesi ja salasanasi.

› Uusi asiakas? Rekisteröidy tästä.
› Unohtuiko salasana?

Sulje sivuvalikko

 

Tilaa uutiskirje ›