06 4229 888
0400 654 888
mail@jarimaki.fi
Ohjauslaitteet ja jousitus
Vahat ja autonhoito
Työkalut ja tarvikkeet
Ruuvit ja mutterit
Jarru-osat
Jäähdyttimet ja osat
Kiinnikkeet ja pidikkeet
Nivelet ja puslat
Polttoaine- ja ilmanottolaitteet
Suodattimet
Öljyt, nesteet & maalit
Korjausoppaat
Omistajan käsikirjat
Muu autokirjallisuus
Starcraft levikesarja 97-03
Mustang korinosat
Chevrolet
Ford
Dodge
Chrysler
Pontiac
Buick
Jeep
Lasit, ikkunatarvikkeet
Lavatarvikkeet PickUp:eihin
Renkaat ja tarvikkeet
Vanteet ja tarvikkeet
Ehosteet
Istuimet ja tarvikkeet
Lattiamatot
Ratit ja ratinpäälliset
Radioadapterit ja johtosarjat
Sisustan puuosat
Muut sisustan osat
Valot ja polttimot
Akut
Lasinnostin- ja keskuslukon moottorit
Laturit ja laturin osat
Lämmitys ja ilmastointi
Ohjainlaitteet
Startit ja startin osat
Sytytysosat
Sähköosat
Alkuperäiset tarrat ja teipit
Käytetyt alkuperäismerkit
Merkit ja logot
Tarrat
Astinlaudat ja -putket
Aurinkolipat
Erikoiskeulamerkit
Kromilistat
Kromikoristeet
Lokasuojanlevikkeet ja helman osat
Maskit
Ovipeilit
Puskurit
Valoraudat
Roiskeläpät
Rekisterikilven kehykset
Sivulasivisiirit ja tuuliohjaimet
Työkalulaatikot
Vetokoukut ja osat
Vetokoukun peitelevyt
Muut ulkopuolen osat
Ristikot ja tukilaakerit
Laakerit, muut
Tiivisteet
Vaihteisto-osat
Vetoakselit ja suojakumit
Moottorin osat
Päästölaitteet
Iskunvaimentimet
Laakerit
Nivelet & puslat
Ohjauksen & alustan osat
Öljyt moottori & vaihteisto
Muut nesteet, liimat ja massat
Jarrupaketit
Muut huoltopaketit
Suodatinpaketit
Variaattorin huoltopaketit
Hifi / Äänentoisto
Tuning
Koripaneelit ja puskurit
Lasit
Peilit
Tarrat, merkit, logot, listat yms.
Valot
Renkaat kesä
Renkaat talvi / nasta
Renkaat kitka
Peltivanteet
Alumiinivanteet
Kromivanteet
Pyöränpultit & mutterit
Koristekapselit
PAKETTITARJOUKSET
Aixam
JDM
Ligier
Chatenet
Microcar
Bellier
Grecav
Casalini
Releet
Pyyhkijän moottorit
Katkaisijat & viikset
Virtalukot & muut lukot
Muut sähkö-osat
Kaasuvaijerit
Käsijarruvaijerit
Vaihteiston vaijerit
Nopeusmittarin vaijerit
Konepeiton vaijerit
Takaluukun vaijerit
MUUT VAIJERIT
Jäähdyttimet & osat
Moottorin osat & kumipidikkeet
Pakoputken osat
Startit, laturit & laturin hihnat
Vaihteistot, osat & tarvikkeet
Variaattorit, osat
Variaattorin vetohihnat
Vetonivelet / akselit
Tankinkorkit & lukot
Korjaustarvikkeet
Autonhoito / puhdistustarvikkeet
Pyyhkijän sulat
MUUT OSAT
AIXAM varaosat
BELLIER varaosat
CASALINI varaosat
CHATENET varaosat
GRECAV varaosat
JDM varaosat
LIGIER varaosat
MICROCAR varaosat
Western- ja kauluspaidat
Liivit
Takit ja bleiserit
Öljykangas-tuotteet
T-paidat
Hupparit
Housut ja chapsit
Naisten westernpaidat
Naisten takit ja liivit
Naisten tunikat ja t-paidat
Housut, hameet ja mekot
Stetsonit ja muut westernhatut
Hattu-koristeet
Hattujen hoitotuotteet ja tarvikkeet
Lippalakit
Pipot
Muut päähineet
Bootsit
Bootsien hoito ja koristelu
Muut kengät
Aidot Turkoosi-hopeakorut
Bandannat ja muut huivit
Huivisoljet
Bolo-kravatit
Vyönsoljet
Nahkavyöt
Turvavyö-vyöt
Asevyöt ja -tarvikkeet
Henkselit ja kangasvyöt
Korvakorut
Kaulakorut
Käsikorut ja sormukset
Kaulusklipsit ja kalvosinnapit
Hiuskorut
Conchot
Aurinkolasit
Käsineet ja sukat
Kangasmerkit
Pinssit & Sheriff-tähdet
Western-avaimenperät
Käsilaukut
Lompakot ja kukkarot
Lasten vaatteet ja asusteet
Lasten hatut ja lakit
Lasten bootsit ja tossut
Intiaanien käsityöt
Koriste-esineet ja valokuvakehykset
Long Horn -seinäkoristeet
Viltit ja ponchot
Replica-aseet ja ruoskat
Keittiötarvikkeet
Country-musiikki
Amerikan herkut
Baarituolit ja muut tuolit
Jääkaappimagneetit
Julisteet ja taulut
Kellot
Kirjallisuus
Koiralle
Kool Aid
Kylpyhuone ja keittiö
Lahjapaketointi
LED-valokyltit
Lämpömittarit
Mukit ja juomalasit
Party-tarvikkeet
Pelit, palapelit, pelikortit
Peltipurkit
Peltikyltit ja rekisterikilvet
Puutarha- ja pihatarvikkeita
Seinäkalenterit
Tyynyt ja tyynynpäälliset
USA-liput ja muut seinäliput
Western- ja USA-aiheiset kortit
Viltit ja torkkupeitot
Muuta kotiin
Hot Wheels
Muut keräily/pikkuautot
Maisto ym. pienoismalliautot
Muut pienoismallit
Traktorit ja työkoneet
Päältäajettavat
Leikkipyssyt ja Western
Pehmolelut ja nuket
Power Wheels akut ja varaosat
Muut lelut
Autonhoito
Leatherman
MagLite ja varaosat
Zippo
Muut valaisimet, veitset, ym.
Työkalusarjat ja muut työkalut
Avaimenperät
Ilmanraikastimet
Käyntikorttikotelot
Paristot
Tarrat ja tunnukset
Batman
Betty Boop
Case ja IH
Caterpillar
CocaCola
Chrysler / Jeep
Disney
Dodge / RAM / Mopar
Elvis Presley
GM muut (Cadillac, Corvette, Camaro, Pontiac, ym)
Harley Davidson
Hello Kitty
Hevoset
Hummer
Jack Daniels
John Deere
John Wayne
Lehmäkuosi ja lehmäntalja
Lincoln
Looney Tunes
Marilyn Monroe
Marvel
NASA-tuotteet
NATO -tuotteet
Police / Army / Navy
Rockabilly
Route 66
Sheriff
Southwestern pattern
Star Wars
Stetson-oheistuotteet
USA presidentti
USA Flag
Yellowstone
JOULUKAUPPA
HALLOWEEN-KAUPPA
Valitse mukaan yhteensopivat tuotteet
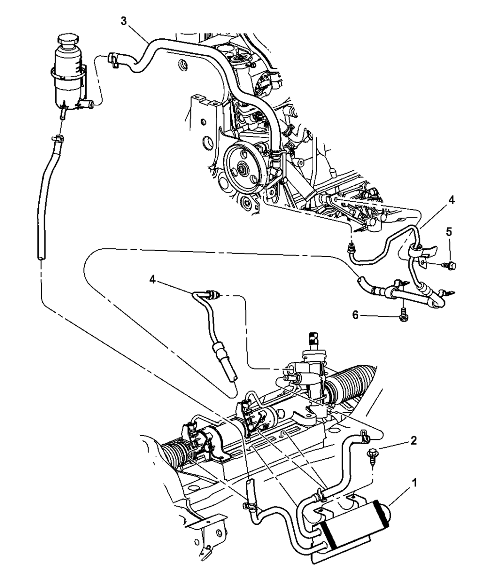
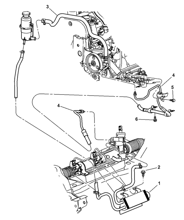
Alkuperäinen varaosa.Osanumero 3 kuvassa.
Store for real cowboys and cowgirls
TIlaa uutiskirje ›
Lännentie 5
61330 Koskenkorva(karttasovellukseen: Lasipajantie 5 )
ma-pe 8-17
la 9-14
ma-pe 8.00-16.30
Kirjautuminen
Kirjaudu sisään antamallatunnuksesi ja salasanasi.
› Uusi asiakas? Rekisteröidy tästä. › Unohtuiko salasana?